平台按照位置是否固定分为固定式海上平台、浮式海上平台。
一、固定式海上平台
1、桩式平台
由承台、桩基构成。桩基有木桩、钢桩、钢筋混凝土等。构筑时将桩基打入海底,在其上安装承台。

2、重力式平台
靠自身重量稳坐在海底土层,平台底部是一个或者多个混凝土沉箱组成的基座,基座上有钢立柱或者混凝土立柱支撑上部甲板。

3、导管架平台
导管架平台基础刚性固定于海底。可支持干式井口。理论作业水深0米—300米。导管架平台,多为井口平台或综合处理平台。部分综合处理平台均配备模块钻机,可为油气田提供钻修井服务。

二、移动平台
1、坐底式平台(沉浮式平台)
上部为工作甲板,下部为兼做沉垫的浮箱,中间用立柱支撑。作业时候往箱内注水,使之坐落海底,作业后把箱内水抽出,平台靠自身浮力升起。
2、自升式平台
适应水深较大,在漂浮状态时为一搜驳船,四周装有若干根圆柱式或者桁架式桩腿,用齿轮或者齿条或液压机构控制升降。作业时,桩腿插入海底一定深度,将船底托出水面,成为工作甲板。作业后,降下船体,拔起桩腿,即可拖至新地点。桩腿底部带箱型沉垫的为沉垫自升式平台,不带沉垫的为插装自升式平台。

3、半潜式平台
用于水深较大海域,由上层工作甲板、中间立柱或者桁架,下层浮体组成。下层浮体结构分为下船体式和浮箱式。这种平台作业时候处于半潜状态,采用锚泊定位或动力定位。作业后排出压载舱内的水,上浮至吃水线,收锚移位。


4、船式平台(钻井船)
在普通船舶上加一个作业平台,船舶有单体和双体之分,可以自航,采用锚泊定位或者动力定位。

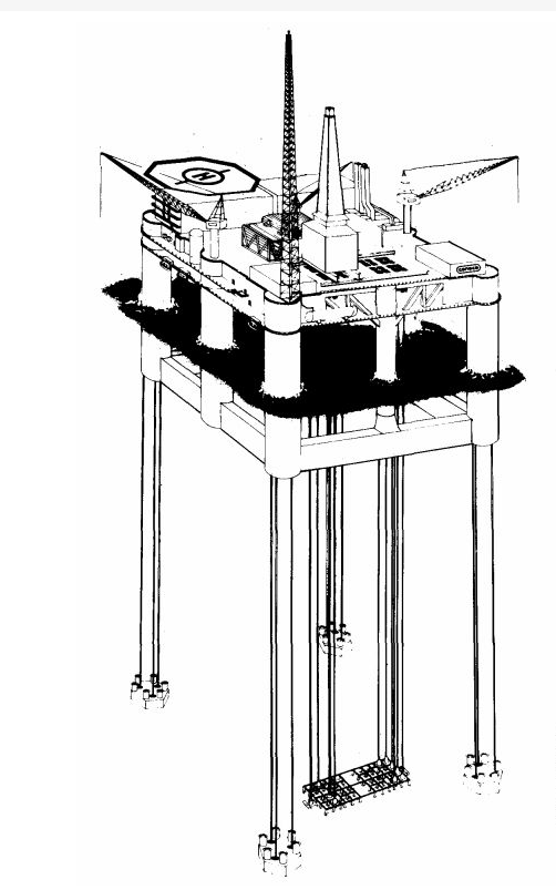
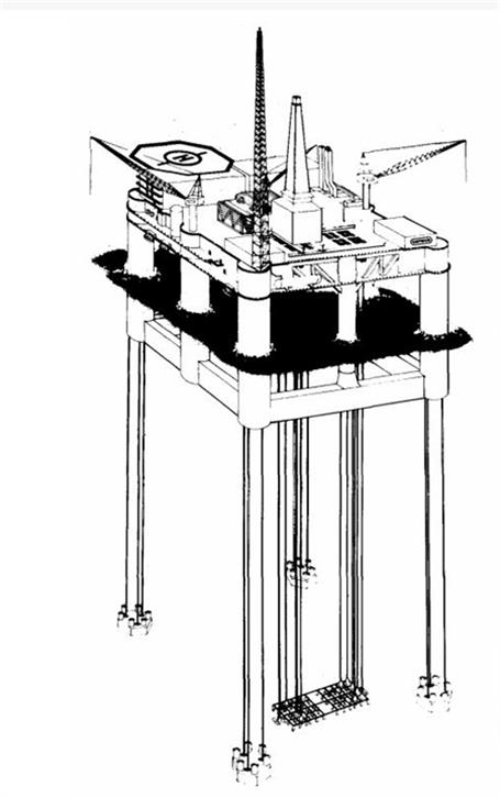
5、张力腿平台
形式类似于半潜式平台,在此基础上增加张力腿支撑于海底。

6、绷绳式平台(系牵塔平台):
将预制的钢塔安放在海底基础块上,用钢索沿不同方向锚定拉紧而成。



